
CATEDRA INSTALACIONES – PAVON / FORNARI - PLAN VI – AÑO 2019
12
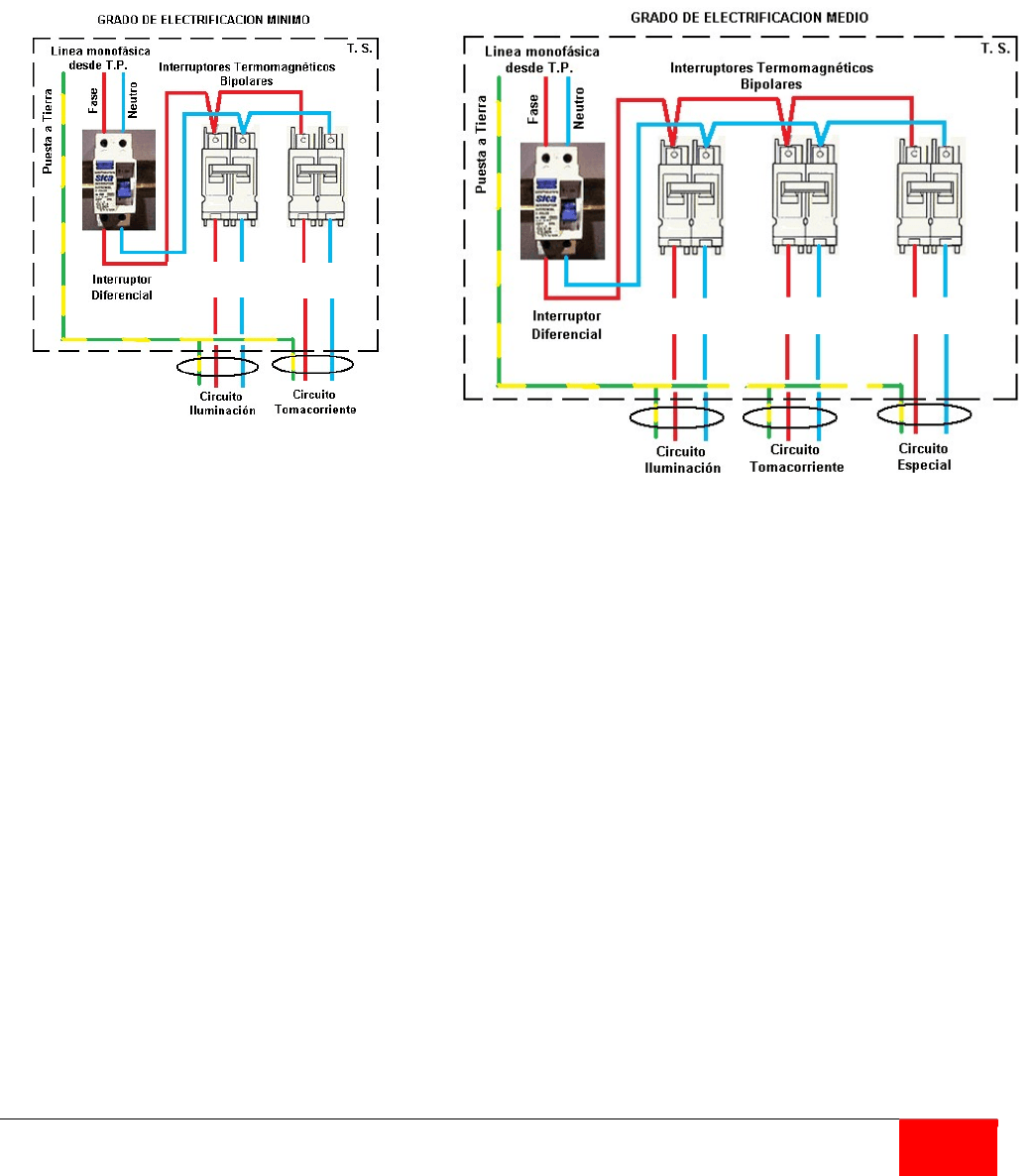
7. Protecciones
Los accidentes eléctricos más comunes ocurren cuando una persona se
hace parte del camino por donde fluirá la corriente a tierra, a este flujo se
llama “falla a tierra”. Esta situación se presenta en instalaciones deterioradas
y de poco mantenimiento, cuando una persona trabajando con instrumentos
eléctricos entra en contacto con las partes metálicas del equipo, estando a su
vez en un área húmeda.
Una exposición prolongada de esta clase de fuga eléctrica por pequeña
que sea, puede ser fatal para el individuo. Pensando en ello fueron
fabricados, tanto normas americanas como bajo normas europeas
“Interruptores automáticos con protección personal contra fallas a tierra
incorporada”.
Estos dispositivos son diseñados para la protección del equipo contra
sobrecargas, cortocircuitos y para prevenir el fuego.
La protección contra sobrecarga
, se logra mediante el uso de un elemento
bimetálico calentado por la corriente de carga. Durante una sobrecarga
prolongada, éste se doblará actuando sobre el mecanismo de operación para
lograra así la apertura del interruptor.
La protección contra cortocircuito, las fallas de fase a fase o fallas a tierra
sólida causan elevados flujos de corriente en tiempos extremadamente
cortos, por lo que pueden ser manejados por el bimetálico; la protección contra tales magnitudes de corriente es
provista por un electromagneto en serie con la corriente de carga. El flujo magnético producido por estas elevadas
corrientes, activan el electroimán y en consecuencia originan la acción de desenganche que abre el circuito en
forma casi instantánea.
En nuestro país se ha adoptado una combinación de ambas conocida como
Interruptor automático termomagnético
, que combinan características de
maniobra y protección en un solo aparato, brindando protección tanto contra
cortocircuito como contra sobrecargas.
Sin embargo, estos interruptores no están capacitados para proteger contra fallas
de bajo nivel de fase a tierra, las cuales pueden ser causadas por una alta
resistencia de contacto, entre una fase y tierra. Este tipo de falla es muy peligrosa
para el ser humano, debido a que elevan el potencial en las partes metálicas del
equipo expuestas al exterior y que podrían ser tocadas por una persona. Como por
ejemplo la carcasa de un motor o las puertas o contornos de la heladera.
Los interruptores con fallas a tierra
fueron desarrollados para proveer protección
contra este tipo de falla. Básicamente, estos dispositivos consisten en un
transformador diferencial que detecta alguna corriente fluyendo a tierra y
componentes de estado sólido que amplifican esta corriente suficientemente, para
activar el voltaje de operación de operación de una bobina de disparo. Son más
conocidos como disyuntores.
Debido a que corrientes relativamente pequeñas a través del cuerpo pueden ser
fatales, los interruptores con falla a tierra deben operar rápidamente a un nivel
predeterminado de corriente.
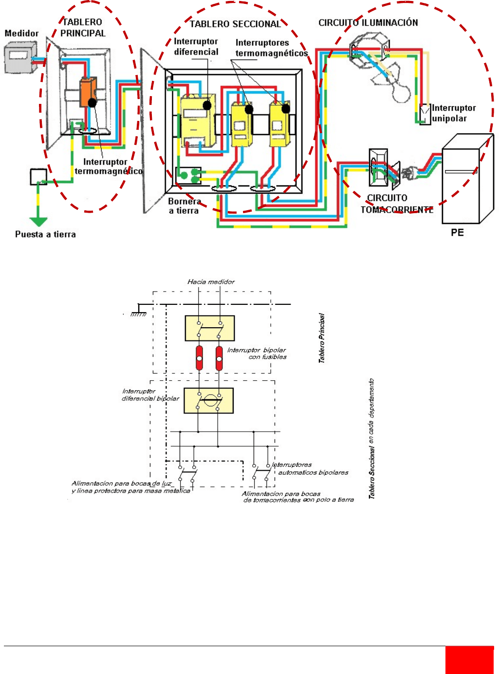
8. Puesta a tierra (PE)
Denominado dispersor o electrodo, está ligado por un conductor de protección que recorre toda la instalación
para la unión equipotencial de todas las masas de la instalación y los tomacorrientes que a su vez son provistos de
bornes especiales para vincular la masa de los artefactos conectados.
Para viviendas unifamiliares, departamentos y locales comerciales, se utilizan según conveniencia técnico
económica jabalinas, placas, o similares, siendo recomendable su instalación en un lugar próximo al tablero
principal.