Electricidad y Circuitos Eléctricos Material Teórico 2023
Contenidos
Temario: Cargas. Corriente eléctrica. Intensidad de corriente. Diferencia de potencial. Aislantes y
conductores. Potencia disipada. Resistencias y capacitores. Circuitos en serie y paralelo. Ley de Ohm.
Ley de Joule. Carga y descarga de capacitores: fenómenos transitorios.
INTRODUCCIÓN
Los átomos están formados, como sabemos, por un núcleo compuestos en líneas generales por
neutrones -sin carga eléctrica- y protones con carga eléctrica positiva, rodeado por una nube
electrónica de carga negativa. En materiales conductores de la electricidad, es relativamente
sencillo arrancar algunos electrones de los átomos en los cuáles se encuentran y hacerlos circular a
lo largo de los conductores. Para ello se requiere de una fuente que proporciones energía.
Entonces, en todo circuito eléctrico existe una fuente de energía. La fuente es la encargada en el
circuito eléctrico de forzar el movimiento de las cargas eléctricas. Las cargas eléctricas que pueden
moverse de forma bastante libre en los materiales conductores son los electrones, que tienen carga
eléctrica negativa. En una solución electrolítica, pueden circular otros iones. El esquema más simple
que puede tener un circuito eléctrico es el siguiente:
La fuente en este caso es una pila, que proporciona corriente continua, es decir, de una polaridad
constante; es la encargada de proveer la energía para realizar el trabajo de mover las cargas. Las
cargas (electrones, cuya carga es negativa) se mueven desde D hasta C, en el caso ideal sin
resistencia, es decir sin que ninguna fuerza se oponga a ese movimiento. En la práctica la resistencia
de los cables es baja pero no es cero, de manera que siempre existe resistencia en cualquier parte
de un circuito, y parte de la energía se disipa en forma de calor por esa resistencia. Es decir, parte
de la energía provista por la fuente se utiliza para vencer la resistencia de cada parte del circuito y
se pierde como calor. Pero en una primera aproximación, a los efectos didácticos, suponemos que
el cable metálico, en general de cobre, tiene resistencia igual a cero. Por eso decimos que desde D
hasta C las cargas se desplazan, gracias a la fuente, sin resistencia.
Desde C hasta B las cargas (electrones), en cambio, encuentran una resistencia R importante, y allí
pierden parte de la energía que les había proporcionado la fuente. Por el tramo BA las cargas llegan,
de nuevo sin encontrar, idealmente, resistencia, a la fuente. Esta última les vuelve a entregar
energía al pasar las cargas (electrones) desde A hasta D. En D comienza de nuevo el ciclo.
Como se podrá observar en la Fig.1, la convención es que la corriente eléctrica circula del polo
positivo (+) al negativo (-). Por ende esas cargas, convencionalmente y a los fines de cálculo, se
consideran positivas, como los protones. Sin embargo, en la práctica, y en la mayoría de los casos,
las cargas que se desplazan son electrones arrancados a los átomos de los metales del circuito, y
por lo tanto son negativas. Por eso hemos descrito la circulación de los electrones en el exterior de
la fuente desde D hasta A. Aunque reiteramos que convencionalmente la corriente eléctrica circula
de (+) a (-), es decir, en sentido inverso al descrito. Eso es así por motivos históricos.
Podríamos decir entonces lo siguiente.
En un circuito eléctrico:
- La fuente entrega energía para mover las cargas.
- En las resistencias (R) las cargas pierden energía, que se disipa en forma de calor.
- Todas las cargas que pasan por A, han pasado por D, hacia la fuente. Es decir, la fuente trabaja para
darle energía a las cargas, pero no crea carga. De igual modo las resistencias no destruyen cargas,
solo les quitan energía. La cantidad de energía que la fuente puede entregar es siempre limitada.
Por eso las pilas o las baterías se agotan con el tiempo.
Hemos planteado cualitativamente el problema. Ahora definamos algunos conceptos que nos serán
de utilidad. Hablamos de que hay cargas que se desplazan en un circuito eléctrico, siempre que el
mismo sea cerrado.
Supongamos que en un intervalo de tiempo
t circula por una sección transversal del conductor
una cantidad
q de carga. Llamamos intensidad de corriente al cociente de la cantidad de carga
dividido por el intervalo de tiempo. En símbolos: i = q/t
En el sistema internacional de unidades (SI), las unidades correspondientes son: [q]=Coulomb (C);
[t]=segundo (s); [i]=Ampere (A).
Por otro lado, sabemos que la fuente es la encargada de proporcionar energía para mover las cargas
a lo largo del circuito. La magnitud que está vinculada a la energía proporcionada por la fuente a las
cargas la llamaremos diferencia de potencial o voltaje V. La relación que tiene la energía E que
entrega la fuente en el intervalo t para mover las cargas q, con el voltaje V es: E =q .V.
Ahora bien, q es la cantidad de carga que atraviesa una sección transversal en un intervalo de tiempo
t. Si se calcula la cantidad de energía erogada por unidad de tiempo resulta:
E/t = q/t . V
E/t es la potencia erogada P, entonces:
P = i . V (1)
Esta ecuación se llama: Ley de Joule. Las unidades de potencia se llaman Watt y se simbolizan: W.
Es decir, la potencia que entrega la fuente es igual al producto del voltaje de la fuente por la
intensidad de corriente i que circula por el circuito. La corriente i depende de la diferencia de
potencial de la fuente, pero también de la resistencia R del circuito. Resta vincular la resistencia con
el voltaje y la corriente. La ley que vincula a esas tres cantidades que se llama ley de Ohm y dice:
V = i . R
Las unidades en el sistema internacional (SI) de V, R, e i son, respectivamente: [V]= volt (V); [R]=Ohm
(); [i]= Ampere (A).
Ejemplo: Una pila de 1,5V está conectada a una resistencia de 150 tal como muestra la figura 1.
¿Qué corriente circula por el circuito? ¿Qué potencia entrega la pila? ¿Cuánta energía disipa la
resistencia en 10 segundos?
Solución: El voltaje de la pila es 1,5 V por lo tanto la caída de potencial en la resistencia será también
de 1,5 V. Entonces podemos usar la ley de Ohm para calcular la corriente que circula por la
resistencia.
i = V/R
en nuestro ejemplo será:
i= 1,5 V/150  =
La potencia que disipa la resistencia es igual a la diferencia de potencial entre sus extremos
multiplicada por la intensidad de corriente que circula por ella. Entonces, según la ley de Joule (1)
tendremos:
P =1,5 V . 0,01 A = 0,015 W
La energía E entregada por la pila y disipada en la resistencia durante 10 segundos es entonces:
E = P . t =0,015 W . 10 s = 0,15 J (Joule)
Conexiones en serie y en paralelo
Dos tipos paradigmáticos de conexiones en un circuito son: la conexión en serie y la conexión en
paralelo.
Conexión en serie
Los elementos del circuito, que pueden ser resistencias, pilas, condensadores, transistores, bobinas
u otros, se ubican uno a continuación de otro, sin bifurcaciones o ramificaciones, de manera tal que
todos son atravesados por la misma intensidad de corriente. Esa es la definición de un circuito en
serie.
R
1
, R
2
, R
3
representan resistencias y el símbolo sobre V
o
indica una pila o batería, es decir, una fuente
eléctrica de corriente continua.
Ejemplo: En el circuito de la Figura 2, supongamos que R
1
=10 R
2
=40 ; R
3
=200 y V
o
=10 V. La
diferencia de potencial o voltaje que la pila tiene fuerza las cargas a moverse a lo largo del circuito.
La intensidad de corriente que atraviesa cada resistencia es la misma. De manera que i.R
1
=V
1
es la
diferencia de potencial o voltaje entre los bornes de la resistencia 1. i.R
2
=V
2
es el voltaje o caída de
potencial en la resistencia 2. V
3
=i.R
3
es la caída de potencial o voltaje en la resistencia 3.
Entonces:
V
o
= V
1
+V
2
+V
3
Por lo tanto
V
o
= i R
1
+ i R
2
+ i
R3
= i (R
1
+R
2
+R
3
) = i. R
eq
Es decir, las resistencias ubicadas en serie son equivalentes en cuanto a su efecto en el circuito a un
solo elemento con resistencia igual a la suma de las resistencias individuales. Esa es la resistencia
equivalente para un circuito en serie.
R
eq
= R
1
+ R
2
+ R
3
= 250
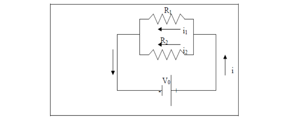
Conexión en paralelo
En la conexión en paralelo los componentes del circuito están conectados en forma ramificada,
uniendo los extremos de los elementos que componen el circuito como se muestra en la Figura 3.
De tal forma, la intensidad de corriente se divide en las diferentes ramas, como las aguas de un canal
que se ramifica, pero la diferencia de potencial en los extremos de cada elemento es la misma. Esa
es la verdadera definición de un circuito en paralelo.
Figura 3
Ejemplo: R
1
= 10 ; R
2
= 40 ; V
0
= 8 V
En este caso la caída de potencial en cada resistencia es igual a V
0
. Sin embargo, la corriente que
circula por la fuente se separa en cada resistencia y luego se vuelve a juntar. Llamemos i
1
e i
2
a la
corriente que circula por R
1
y R
2
, respectivamente. Entonces:
i = i
1
+ i
2
Por otro lado, como la caída de potencial en cada resistencia es V
0
, tenemos que:
Reemplazando en la ecuación para i resulta:
Nuevamente, podemos expresar el efecto neto de la combinación de resistencias individuales sobre
el circuito reemplazándolas por su resistencia equivalente, que en el caso de circuitos en paralelo
es:
1/R
eq
=1/R
1
+1/R
2
De manera que, en este ejemplo en particular, tendremos:
Medición de voltajes e intensidades de corriente
Para medir diferencias de potencial e intensidades de corriente se utilizan corrientemente
instrumentos llamados multímetros. Un multímetro tiene varias funciones que se eligen mediante
una llave selectora, en general rotatoria.
Medición de voltajes: se realiza con un voltímetro o con multímetro digital, con la llave selectora
en una posición de la escala que esté en la región VCC (o V=).
Para medir diferencia de potencial el multímetro debe estar conectado en paralelo con el elemento
del circuito sobre el cual se desea medir el voltaje. Esto es así porque los voltímetros tienen una
enorme resistencia interna. Al conectarlos en paralelo, la corriente que circula por el interior del
voltímetro es entonces muy baja, y no afecta la circulación en el circuito pre-existente. Si el
voltímetro -o multímetro en posición de medir voltajes- se coloca en serie, la intensidad de corriente
que circula por el circuito se verá muy afectada (disminuirá mucho), y por lo tanto también
disminuirá la caída de potencial en ese elemento.
RECUERDE ENTONCES QUE SI MIDE VOLTAJES DEBE CONECTAR EL INSTRUMENTO EN PARALELO Y
DEBE SELECCIONAR LA ESCALA ADECUADA.
Medición de intensidad de corriente
Se realiza con un amperímetro o con multímetro digital con la llave selectora en la región de la escala
marcada como AMPER CC. Para realizar la medición de la intensidad de la corriente en alguna parte
del circuito se debe intercalar el amperímetro o multímetro en serie con el elemento en el cual se
quiere medir la intensidad de corriente. Esto es muy crítico. Los amperímetros son instrumentos
que tienen bajísima resistencia interna. Si son intercalados en serie, no afectarán mayormente la
circulación de corriente en el circuito. Si por error se colocan en paralelo, prácticamente toda la
corriente disponible circulará por el interior del multímetro. Eso por un lado modificará
sustancialmente las condiciones del circuito. Pero por otro lado, podría producir que se queme el
instrumento de medición. Por el mismo motivo, jamás debe conectarse un multímetro en modo
amperímetro directamente a una fuente eléctrica sin otra resistencia en serie, pues seguramente
se quemará.
Elija una escala de 2 Ampere (o mejor aún la de 10 A). Si esta escala resulta muy grande para la
intensidad de corriente que desea medir siempre hay tiempo de reducirla, de lo contrario corremos
el riesgo de quemar el aparato de medición.
Note que en general para medir corrientes uno de los cables debe estar enchufado en la ficha que
indica A o 10A (si es que eligió esta última opción).
Circuitos RC - Fenómenos transitorios
Hasta ahora hemos analizado cargas eléctricas en movimiento que se desplazan en circuitos
cerrados constituidos por pilas, resistencias y cables unidos entre sí. Nos resta analizar cómo
acumular cargas y, en consecuencia, energía. Este problema ha ocupado a varias generaciones de
físicos. Las primeras experiencias datan de alrededor de 1750, época en la que se construyeron en
Holanda las botellas de Leyden: recipientes de vidrio recubiertos en su interior y exterior por hojas
de metal que eran cargadas electrostáticamente. Posteriormente se reemplazó el vidrio por otros
elementos aislantes que mantenían las láminas metálicas separadas. Así nació el condensador o
capacitor. Es un acumulador de cargas constituido por dos placas o armaduras conductoras,
separadas por un dieléctrico o aislante.
Se verifica que diferentes capacitores, habiendo sido cargados con la misma cantidad de carga
eléctrica (Q), adquieren distintas diferencias de potencial entre sus armaduras (V). Esto indica que
se diferencian unos de otros por una propiedad física que denominaremos capacidad, la cual no lo
depende de la geometría del condensador, sino también de su tamaño, y del material dieléctrico
que separa las armaduras.
La capacidad (C) se define como:
C = Q/V
donde Q es la carga acumulada y V es la diferencia de potencial entre las armaduras. La unidad de
capacidad es el faradio:
Debe destacarse que el faradio es una unidad de medida muy grande: un condensador de un faradio
tendría, para una distancia entre placas de un milímetro, un área aproximada de 100 Km
2
, si tuviera
vacío o aire seco como dieléctrico. En la práctica, entonces, se utilizan valores de capacidad mucho
más pequeños:
el milifaradio, (1 mF = 10
-3
F); el microfaradio (1 F = 10
-6
F); el nanofaradio (1 nF = 10
-9
F) y el
picofaradio (1 pF =10
-12
F).
En general la capacidad de un condensador depende de su tamaño, de su forma y de las propiedades
dieléctricas del medio que separa las placas. En el caso de un condensador plano, que consta de dos
armaduras conductoras planas y paralelas entre sí, separadas por una distancia d pequeña
comparada con las dimensiones de las láminas, la capacidad es:
C= A./d
donde es una constante que depende del medio dieléctrico que separa las armaduras y se
denomina permitividad eléctrica. Su valor para el vacío o para el aire es:
o
=8,8 x 10
-12
C
2
/Nm
2
. Para
otros dieléctricos como caucho, corcho, baquelita u otros, la permitividad es mayor a la del vacío.
Cuanto mayor es la permitividad del dieléctrico, mayor es la capacidad del condensador. A es el área
de las placas o armaduras. La separación entre placas es d. Como se verá, para igual separación “d”,
la capacidad crece con el área de las armaduras. Para igual área “A”, la capacidad crece al disminuir
la separación de las armaduras.
En un circuito con una fuente, una resistencia y un condensador en serie como se muestra en la
figura 4, se puede demostrar que al cerrar el circuito, la corriente que circula varía transitoriamente
con el tiempo según la expresión:
donde V
o
es el voltaje suministrado por la fuente, R es la resistencia y C la capacidad del
condensador. Es decir, la corriente es inicialmente máxima pero tiende a disminuir a medida que el
condensador adquiere carga. Es importante ver que para t = R.C, i = 0,37 V
o
/R. Ese tiempo se
denomina constante de tiempo o tiempo característico del circuito. La corriente que circula por el
circuito va disminuyendo con el tiempo pues a medida que se va acumulando carga en el
condensador aumenta la diferencia de potencial entre las armaduras (V = Q / C) y esto funciona
como si en el circuito hubiese otra pila, pero conectada en sentido inverso a la fuente. Una vez
completamente cargado el capacitor, la diferencia de potencial en el mismo compensa exactamente
a la de la fuente y la corriente idealmente cesa por completo.
Conductividad de los electrolitos
La conducción de una corriente eléctrica a través de una solución iónica se realiza por medio del
movimiento de los iones en la solución. Una forma de conocer su capacidad conductora es poner
dos electrodos en la solución y medir la resistencia de la solución. En realidad, dicha resistencia
depende de una serie de factores que, cuando se va a efectuar una medida exacta, deben ser tenidos
en cuenta. Esos factores son: la temperatura, el área y forma de los electrodos, su posición en la
solución, el tipo de especies presentes y su concentración.
En las soluciones electrolíticas es más conveniente emplear el concepto de conductancia. La
conductancia es el recíproco de la resistencia y está directamente relacionada con el número de
iones presentes por unidad de volumen y su movilidad. En general, el solvente puro es
prácticamente no-conductor, y en consecuencia la conductancia observada se debe enteramente al
soluto disuelto (ejemplo, una solución de HCl, NaOH, NaCl, HAc). Esta conductancia dependerá del
número de especies iónicas presentes y de su naturaleza.
En particular, si consideramos una solución diluida de un ácido (ejemplo HCl), si bien la
conductividad se debe a la contribución de todas las especies iónicas presentes en la solución, los
responsables mayoritarios serán los protones por presentar una gran movilidad, dada su menor
masa respecto de los otros iones. El protón es cinco veces mejor conductor de carga en el agua que
los otros cationes. Si empezamos a agregar una base (ejemplo NaOH), los protones irán
reaccionando con los radicales OH para formar agua, con lo cual, al disminuir la concentración de
protones, disminuirá la conductividad hasta que todos los iones hidrógeno provenientes del ácido
se hayan consumido, momento en que el ácido ha sido neutralizado. Si se continúa agregando base,
el exceso de iones OH- hace que la movilidad vuelva a aumentar y ahora la conductividad se deberá
fundamentalmente a la concentración de OH- en exceso (el oxhidrilo es tres veces mejor conductor
de carga que otros aniones). Un gráfico esquemático de la conductividad en función del volumen de
solución base agregada, puede ser representado de la siguiente manera:
HOJA DE ACTIVIDAD PREVIA. SE DEBERÁ COMPLETAR Y ENVIAR PREVIAMENTE AL DÍA DE LA
ACTIVIDAD PRÁCTICA DEMOSTRATIVA CORRESPONDIENTE, MEDIANTE UN FORMULARIO DE
AUTO-CORRECCIÓN AL QUE SE ACCEDE DESDE EL AULA VIRTUAL. ACTIVIDAD INDIVIDUAL CON
OPCIONES MÚLTIPLES.
Apellido y nombre:
Comisión Fecha:
1) Indique para qué y cómo se debe usar un amperímetro, o un multímetro digital en modo
amperímetro
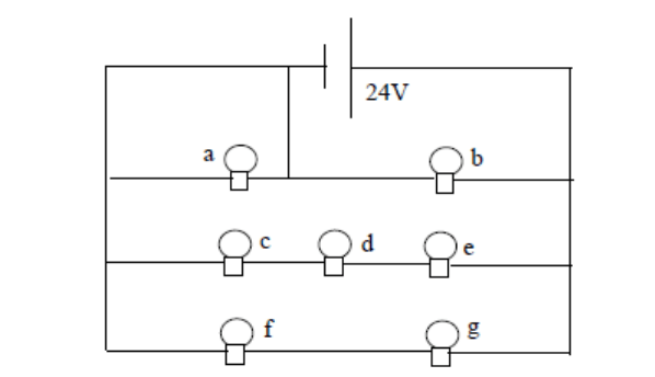
2) Con una batería de 24 V y 7 lámparas de 40 W y diseñadas para funcionar con 6 V se arma el
siguiente circuito:
Teniendo en cuenta que las lámparas son resistencias que disipan energía en forma de luz (y calor),
cuyo nivel de iluminación depende de la corriente que circula por ellas, conteste las siguientes
preguntas.
a. ¿Cuáles lámparas funcionarán, y cuáles no?
b. ¿Qué potencia emitirá cada lámpara?
c. ¿Cuáles iluminarán más, menos o igual a los valores para los que fueron diseñadas?
3) De acuerdo con el siguiente esquema de un circuito R-C, indique:
a. Las lecturas del voltímetro y el amperímetro en el momento inicial en que se habilita el
paso de corriente eléctrica
b. Las lecturas del amperímetro y el voltímetro para tiempo igual al tiempo característico del
circuito
c. Las lecturas del voltímetro y el amperímetro para tiempos muy grandes, que tienden a
infinito
ACTIVIDAD PRÁCTICA DEMOSTRATIVA PRESENCIAL: Electricidad, Circuitos Eléctricos. En la
actividad práctica virtual los docentes explicarán y discutirán esta actividad.
Parte 1. Medición de voltajes e intensidades de corriente
1. Se construye un circuito en serie como el de la figura 2. Se miden las caídas de potencial en las
tres resistencias. Recordar que para medir voltajes el multímetro se debe setear con la selectora
en la posición adecuada y se debe conectar EN PARALELO.
2. Se mide la intensidad de corriente “i” que circula por el circuito. Recordar que para medir
intensidades el multímetro se debe setear con la selectora en la posición adecuada y se debe
conectar EN SERIE.
3. Se calcula la potencia que está entregando la fuente, usando las mediciones de los puntos
anteriores y aplicando la Ley de Joule:
P=V.i
4. Se construye un circuito como el de la figura 3. Se miden las caídas de potencial en las dos
resistencias.
5. Se miden i, i
1
, i
2
.
6 Se calcule D = i - (i
1
+ i
2
) con su error experimental. Se trata de la diferencia experimental entre la
intensidad total y la suma de las intensidades medidas en las dos ramas. En teoría debe ser igual a
cero, dentro de los márgenes experimentales.
Parte 2: Carga de un condensador o capacitor
1. Se arma el circuito indicado en la figura. Note que utilizamos las salidas de corriente continua
de la fuente de alimentación.

Este documento contiene más páginas...

Descargar Completo
Circuitos eléctricos 2023_bf885d577ef1ce0e0998e4fef76ca6ed (2).docx
browser_emoji Estamos procesando este archivo...
browser_emoji Lamentablemente la previsualización de este archivo no está disponible. De todas maneras puedes descargarlo y ver si te es útil.
Descargar
. . . . .