
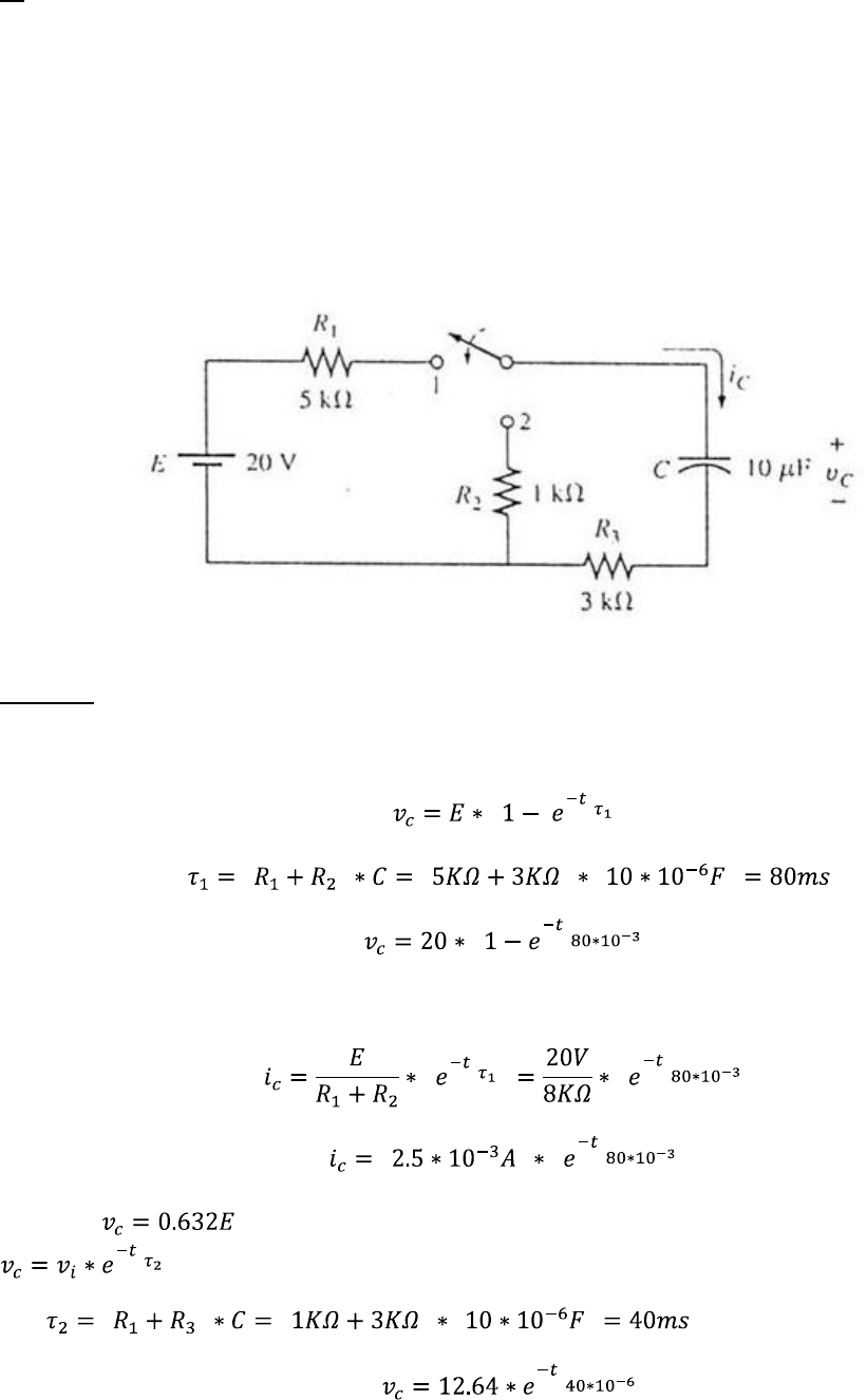
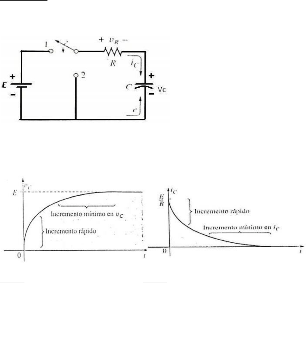
Capacitor en Continua
Capacidad:
Supongamos que dos láminas de metal se colocan próximas entre sí (sin tocarse) y que están
conectadas a una batería a través de una llave, tal como se observa en la figura:
En el instante tiempo que la llave se
cierra, los electrones serán atraídos
desde la placa superior hacia el positivo
de la batería y el mismo número de ellos
será repelido hacia la placa inferior
desde el terminal negativo de la fuente.
Se moverán suficientes electrones hacia
una placa o desde la otra hasta
conseguir la FEM entre ellas sea la
misma que la de la fuente.
Si la llave se abre después que las placas hayan sido cargadas de esta forma, la placa superior
permanecerá con una deficiencia de electrones y la inferior con un exceso. Dado que no hay un
camino para la corriente entre ellas, las placas permanecerán cargadas aunque la fuente ya no
esté conectada, si se toca con un cable conductor las placas cortocircuitándolas, los electrones en
exceso de la placa inferior pasaran a la placa superior a través del cable, restableciéndose la
neutralidad eléctrica, de esta forma se descargan las placas.
Las dos placas constituyen un capacitor eléctrico; un capacitor posee la propiedad de almacenar
electricidad en el campo eléctrico entre las dos placas. Durante el tiempo en que los electrones se
mueven (mientras se carga/descarga el capacitor), circula corriente en el circuito a pesar de que,
aparentemente, el circuito está abierto por el espacio entre las placas del capacitor. Sin embargo,
la corriente circula solamente durante el ciclo de carga o descarga, y generalmente este tiempo es
breve.
La corriente continua no puede pasar a través de un capacitor cargado.
La carga o cantidad de electricidad que puede ser almacenada en las placas de un capacitor es
proporcional a la tensión aplicada y a la capacidad del capacitor.